中國(云南)自在商業嘗試區昆明片區經開區出口加工區浦發路中段國檢大廈產業三區6幢
各州(zhou)、市中國(guo)青年派出所,省直密(mi)切相關的部分(fen):
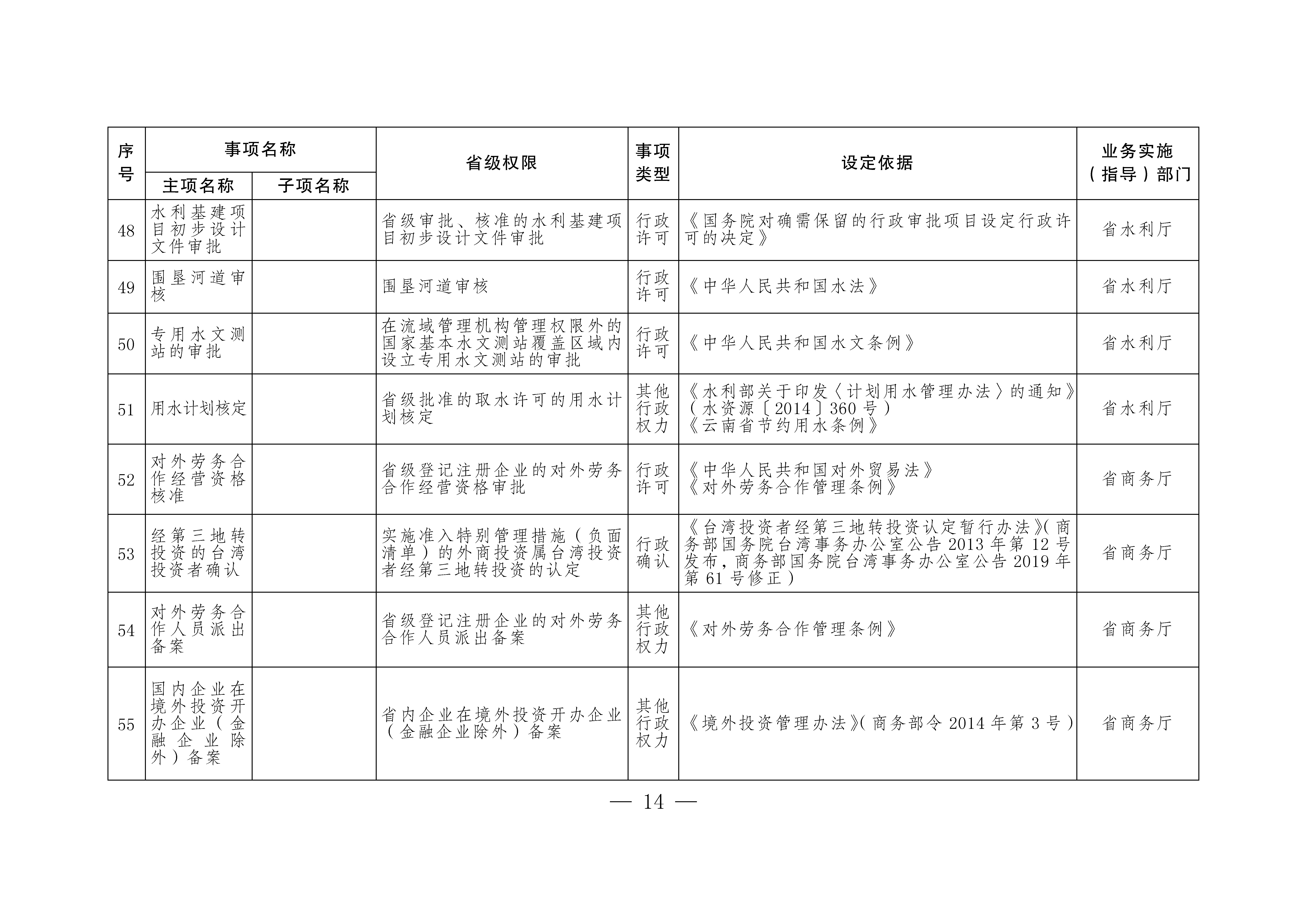
根據《國務院對于印發6個新設自在商業嘗試區整體計劃的告訴》(國發〔2019〕16號)和《國務院對于贊成新設6個自在商業嘗試區的批復》(國函〔2019〕72號)精力,省國民當局研討決議,向中國(云南)自在商業嘗試區(以下簡稱云南自貿嘗試區)昆明、紅河、德宏片區管委會下放第一批省級行政權利事變73項,此中行政允許事變55項,行政確認事變2項,其余行政權利事變16項。
省直有關部分要根據“誰賦權、誰羈系”的準繩,當真做好下放行政權利事變平常標準運轉的調和和監視任務,立異和增強事中過后羈系,健全羈系法則和標準,做好跟尾任務,增強營業指點培訓,嚴酷落實羈系義務,實時調和處理權利下放進程中碰到的堅苦和題目,確保“放得下、放得穩、接得住、管得好”。自本決議印發之日起,30個任務日內實現權利移交任務。云南自貿嘗試區帶領小組辦公室要增強跟蹤查抄和相同調和,實時發明題目并提出調劑倡議,對有關嚴重事變實時叨教報告,確保各項權利標準高效運轉。云南自貿嘗試區各片區管委會要根據“誰行權、誰擔責”的準繩和權責分歧的請求,依法承當承接事變的辦理職責,做好與權責清單的跟尾,體例辦事指南,優化辦事流程,前進辦事效力,確保各項權利標準辦理,優化運轉。
抄送:向我國的(四川)自如商業運作我的最次區各整體管委下派最批省部級處理最高權限的目次
甘肅省人民政府
今年 13月6日
(此件大肆官宣了)
















